Taladro Parkside

Buenas a tod@s.
Tengo un taladro de columna del lidl que ayer sufrió de mas haciendo un agujero en un taco de nogal.
Tenía un par de engranajes de la camisa medio gastados de hacer el bestia y ayer me los he cargado completamente. La verdad es que el material es una autentica mierda. Algo parecido a calamina o aluminio bastante blando.
Ha quedado así. Irreparable.

Tiene menos de tres años pero no encuentro el ticket así que me toca buscar solución. En Lidl por supuesto no quieren oir nada de piezas de repuesto y paso de mandarlo a reparar. Cuesta 79€ nuevo por lo que el presupuesto para arreglarlo no pasa por hacer la pieza en un tornero.
No tendréis alguno quemado de motor para aprovechar esa pieza, verdad???
Gracias.

Por cierto, su último agujero fué el de esta pipa que hice ayer por la tarde para pasar el rato…

2 Me gusta

Hola, yo tengo varias herramientas de Parkside, el fabricante es de Alemania, una vez necesitaba un repuesto para una lijadora y me pasaron el contacto.
A ver si lo encuentro y te lo paso
Un saludo

1 me gusta

Lo encontré
Mail: support.es@kompernass.de
Web: www.kompernass.de
A ver si te sirve
Un saludo

1 me gusta

parece que lo que tienen aquí son solo consumibles. Probaré con un correo electrónico a ver si suena la flauta pero me da que no…

Parkside tiene de alemán lo que yo de astronauta. Los alemanes importan esta línea de China. Si vas a un Leroy-Merlín verás exactamente el mismo taladro, sólo que la marca es Practil.
Ni Lidl ni LM proveen repuestos, sencillamente porque no existen. Es una línea de usar y tirar.
Lamento ser descorazonador, pero es preferible a que pierdas el tiempo buscando.
Saludos cordiales

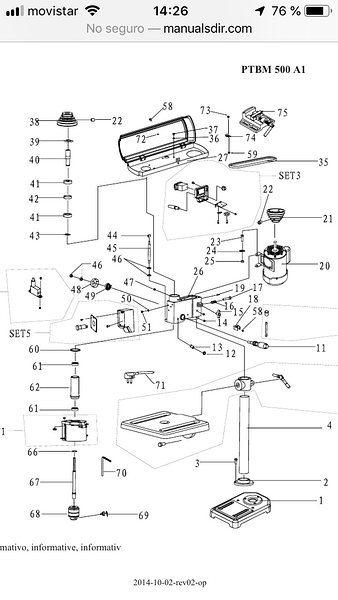
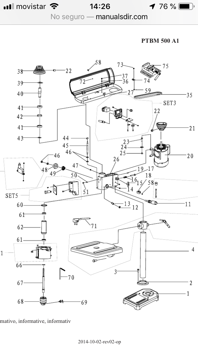
Algunos repuestos si que se encuentran en internet. Concretamente esta no soy capaz de localizarla, principalmente porque no se muy bien cono se llama en ingles, frances o alemán. Es la número 62 de este manual.

En este enlace hay piezas de varios cacharros de la marca por si alguien los necesita.

Hola Marcelo, obviamente son Chinos, pero los provee una empresa alemana.
Lo que no se venden repuestos no es así.
Yo me comunique con el lidl por la lijadora y me pasaron con esa empresa Alemana, y sí, me cotizaron el recambio.
No sé si habrá todos los recambios, claro, y si vale la pena
Suerte con la búsqueda

1 me gusta

Roy, te agradezco el dato. Ya me veía tirando el cacharro o haciéndole algún mal arreglo.
Sólo faltaría comparar si, tratándose de repuestos importantes como en este caso, no sale más caro el collar que el perro.
Saludos

yo también lo tengo y en mas de una ocasión he estado mirando alternativas de mayor calidad, para el uso que le doy va justito, la pega más grande que le veo es la holgura cuando quieres hacer algo de mayor precisión

¿ que alternativas veis que tengan más calidad y no se dispare el precio ?, en su momento mirando opciones me gustó la marca Optimum, tuve la oportunidad de ver algún modelo de este fabricante en directo y tenia buena pinta, solido y sin holguras en eje.

Creo que te sera dificil encontrar este repuesto y si lo encuentrar igual te piden mas de lo que te cuesta una maquina,los importadores de estas maquinas solo suelen suministrar como repuestos correas y consumibles…pero es raro que se encuentren piezas como la que tu necesitas.